RickyFlash

Minggu, 24 November 2019

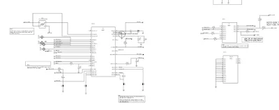
SKEMATIK DIAGRAM XIOMI REDMI 4A - SCHEMATIC DIAGRAM

Download SKEMATIK DIAGRAM XIOMI REDMI 4A - Halo gan bagaimana kabar agan-agan semua? Semoga selalu sehat dan selalu dimurahkan rezekinya ya gan, amin. Pertemuan kali ini saya akan bagikan sebuah skematik hp xiaomi redmi 4a.

Tentu dengan adanya skematik seperti ini akan memudahkan kita dalam meneliti suatu masalah pada kerusakan ponsel. Sebab kita jadi lebih tau jelas jalur-jalur yang harus kita cek.

Terlebih untuk pemula, diagram skematik seperti ini sangat-sangat dibutuhkan supaya tidak salah langkah dalam menganalisa suatu problem sehingga tidak terjadi salah langkah dalam esekusinya ya gan.

Berikut ini adalah contoh skematiknya.

Contoh PCB layout  xiomi redmi 4a
contoh chematic di agram xiomi redmi 4a

Nah untuk agan yang sudah tidak sabar untuk unduh ini skema redmi 4a. Silahkan langsung saja unduh melalui link dibawah ini.

Download Skematik Redmi 4A

Password RAR: rickyflash.blogspot.com

Baca Juga:

Sekian artikel kali ini tentang SKEMATIK DIAGRAM XIOMI REDMI 4A - SCHEMATIC DIAGRAM. Semoga bermanfaat.

Tidak ada komentar:

Posting Komentar

Harap Berkomentar sesuai topik artikel yang Anda baca. Komentar menyimpang tidak akan pernah saya approve.